waterproof roll
防水卷材
化学阻根耐根穿刺防水卷材
- 供应模式:
- 工程类别:防水
- 材料品牌:奥佳
- 市场分类:PY类
- 生产厂家:
- 材料类型:沥青类
- 产 地:中国
- 材 质:聚酯胎基
- 参 数:II型
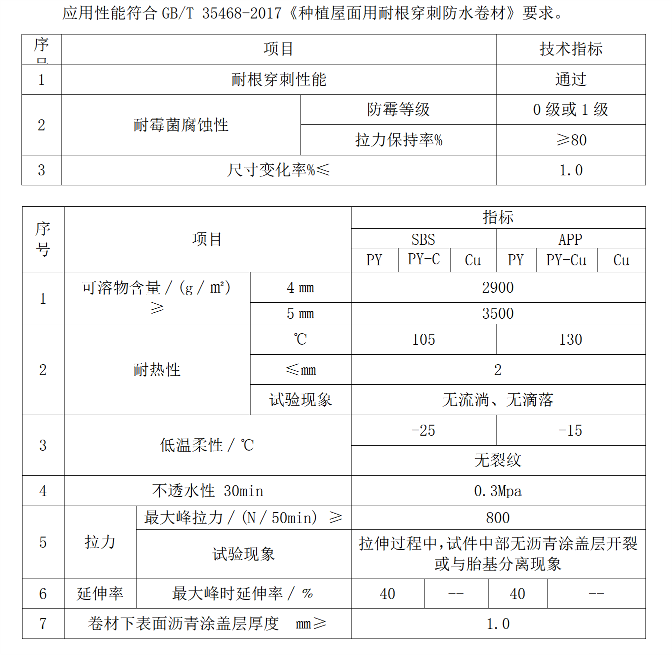
- 标准要求:GB/T 35468-2017 GB18242-2008
- 材料编码:0003
- 市场价格:
- 施工工艺:
型 号:

product details产品详情

产品特点
1、产品具有质地密实,水蒸气渗透系数小,防水性能优异等特点;
2、具有阻止植物根系 穿透功能,能够承受植物根系穿刺,又不影响植物正常生长;
3、拉伸强度高,抗穿剌能力强;
4、耐化学性能好,耐老化,耐腐蚀;
5、无毒、使用寿命长;
6、柔韧性好、易弯曲、任意折叠、易操作。
适用范围
适用于种植屋面、屋顶花园、车库顶板以及需要绿化的建筑物顶板等工程。由于良好的耐酸碱、盐的性能,更适用于沿海或有耐腐蚀要求工程的耐根穿剌种植系统。
包装、运输及存
包装:产品成卷包装。
运输、装卸过程中,不同类型、规格产品应分别堆放、不应混杂,避免日晒雨淋。
贮存:产品应按类型、规格、生产日期分别贮存。贮存场地应干燥、通风避免日晒雨淋,并不得与容易发生反应的化学物质接触。
在正常贮存,运输条件下,贮存期自生产日起一年。
